了解示波器的基本操作

r&s®essentials | 数字示波器和探头基础知识

示波器选购指南 -开心体育

指导您选择合适的示波器

示波器使用简单,具备多种多样的规格、选件和功能。示波器可以显示波形,助您测量信号特性,调试电路问题。示波器非常灵活,能够在不同领域执行不同类型的测量任务。示波器功能多样,选购时需要充分了解不同规格有何作用。

什么是示波器?

示波器是一种可以将电压随时间的变化显示为波形的仪器。这种“实时”仪器能够捕获信号的变化。示波器通常配有屏幕来显示波形和测量结果,提供控件来更改设置(例如伏特/格),并具备输入连接器来连接电缆或探头。

带宽

什么是带宽?

带宽是示波器能够测量的频率范围。示波器是少数能够在从 dc (0 hz) 到其指定带宽的范围内进行测量的宽带仪器。带宽规格是购买示波器时的一个重要考虑因素,如果示波器带宽不足,便无法准确进行测量。

示波器带宽的定义
示波器带宽的定义

示波器前端放大器的频率响应和低通滤波器相似。图中的曲线形状表示,示波器能够测量从 dc 到信号衰减下降 3 db 所对应的频率范围内的大部分信号成分。示波器将该 -3 db 点对应的频率定义为“带宽”,在该频率点电压大约降低 30%。

如何选择需要的带宽?

选购示波器的时候,确定具体应用需要的带宽会很复杂。举例而言,如果您只希望查看正弦波,只需保证示波器带宽略高于 3 db 衰减点所对应的最大载波频率即可。例如,如果您需要测量 100 mhz 正弦波,选择具有 150 mhz 或更大带宽的示波器即可。

根据正弦波估计的带宽
根据正弦波估计的带宽

但是,如果波形较为复杂(例如数字信号),您需要考虑多个方面。如果需要测量数字或其他复杂的信号,带宽需要是时钟或数据信号最大速率的 3 到 5 倍。例如,如果测量数据速率为 133 mhz 的内存总线,示波器带宽至少需为 400 mhz。不过,这一选购规律的前提是数字信号的上升时间和数据速率有关。

根据 0.35/上升时间公式估计的带宽
根据 0.35/上升时间公式估计的带宽

对于数字信号,其上升沿和下降沿的频率分量要多于基频。因此,0.35/上升时间公式是通过一阶计算估计信号带宽。再以前文的总线测量为例。假设信号的上升时间为 600 ps,根据上述公式可以得出频率分量高达 583 mhz!(此数值在数据速率的 3 到 5 倍范围内。)

关于带宽的其他考虑因素

大部分示波器都提供可升级的带宽选件。虽然带宽的升级空间有限,但在带宽远不能满足需求的情况下,升级可以为您提供更大的带宽。

带宽过大,也会影响到测量。通常,测量带宽越大,宽带噪声也越大。幸运的是,许多示波器都提供滤波器功能,可以减小前端的带宽。罗德与施瓦茨的所有示波器都配有 20 mhz 滤波器,可用于电源测量。另外,r&s®mxo 4r&s®rto 6 等型号还提供“hd 模式”,能够协调带宽和 adc 分辨率,在低带宽测量中保证测量精度。

如果您有任何问题, 联系开心体育。

采样率

什么是采样率?

示波器的模数转换器 (adc) 能够将模拟信号转换成数字信号。这种模数转换率就被称为“采样率”。制造商将采样率的单位规定为采样点/秒。例如,300 mhz r&s®rtc1000 示波器的采样率为 2 gigasample/s。该采样率也可以表示为 2 gsample/s、2 gasa/s 或 2 gsp/s。

如何选择需要的采样率?

示波器的采样率应至少为带宽的 2.5 倍。例如,如果示波器的带宽为 1.5 ghz,则采样率应高于 3.75 gsample/s。大部分数字示波器通常都符合这个最低要求。但是,示波器可能通过多通道交织来提供最大采样率。

例如,300 mhz r&s®rtc1000 的单通道采样率为 2 gsample/s,双通道采样率为 1 gsample/s。不过,即使 r&s®rtc1000 的双通道采样率降低,也仍超过模拟带宽的 2.5 倍!

一般而言,采样率越大越好。

关于采样率的其他考虑因素

示波器提供不同的采集模式,例如“峰值检测”或“高分辨率”模式。在这些模式下,adc 能够继续以最大采样率运行,但内存中存储的数据点数量会减少。这些模式为信号速率相对较慢的应用提供更高的采样率。

adc 位数

什么是 adc 位数?

示波器的模数转换器输出二进制值。和其他 adc 一样,这些二进制值的位数决定示波器 adc 的分辨率。例如,8 位 adc 能够输出 256 种不同的电压电平值。10 位 adc 能够输出 1,024 种,12 位 adc 能够输出 4,096 种。

精度和分辨率(和灵敏度)

尽管 adc 分辨率会影响示波器的测量精度,但这不是唯一一个需要考虑的因素。

精度是指预期的测量值和实际值之间的差值。换言之,精度表示测量的不确定度。分辨率是测量系统能显示出的最小变化。在示波器中,adc 的位宽决定分辨率。灵敏度是能检测到的最小变化。这个定义和分辨率定义较为相似,而采集系统的各个元件可能灵敏度都非常高。但是,整体灵敏度与精度和分辨率有关。

其他考虑因素

并非所有示波器都可以一直在全位宽下运行!您需要仔细查看数据表,了解这些示波器的限值信息。不过,所有 r&s 示波器都可以一直在全位宽下运行。

一些 r&s 示波器型号还可以利用 hd 模式增加有效位宽。这种模式会减小带宽,从而提高测量分辨率。例如,r&s®mxo4 的 12 位 adc 可以将有效位数增加到 18 位!

触发

什么是触发?

数字示波器的触发系统观测被测信号中的特定事件。触发系统检测到符合用户自定义标准的事件后,就会启动触发操作。边沿-电平触发是最常见的触发类型,最常见的触发操作是以事件为中心更新示波器的屏幕。

触发系统可以识别许多其他事件,例如脉冲宽度、欠幅电压、逻辑电平和串行协议包。触发系统还提供多种工具,可以滤除噪声、认证有效事件和触发其他仪器。

如何选择需要的触发功能?

功能齐全的触发系统可以显著缩短调试时间,并能够测量复杂信号的特性。

首先需要考虑示波器支持哪些触发类型。您还可以查看示波器的其他触发功能,例如可调迟滞和序列触发。

可调迟滞是指触发能够支持噪声更高的波形,或者专门检测特定的边沿事件。例如,具备准确数字触发系统的示波器能够触发小于 0.0001 垂直分格的小事件!

序列触发也称为 a->b 触发,可以创建两级触发条件。例如,您可以将触发条件限定为使能信号下降沿之后的特定脉冲宽度。

关于触发的其他考虑因素

评估示波器的触发系统时,需要留意触发系统的规格。部分示波器的触发系统可能仅在边沿触发下支持“全带宽”。相对于示波器带宽而言,其他触发类型可能相对较慢。

r&s®mxo4 和 r&s®rto6 等示波器采用数字触发系统。这些示波器不借助模拟电路来识别事件,而是利用自定义 asic 实时观测来自 adc 的数字采样点,从而检测触发事件。这种独特的触发方法能够提供准确的触发功能。这种触发系统的一个重要优势是,所有触发类型均支持全带宽。例如,数字触发的毛刺检测速度和 adc 的单个采样周期一样快!这种触发系统还可以提供出色的电压灵敏度。

存储深度

什么是存储深度?

adc 将采样点存储在存储缓冲区。adc 的采样率高达千兆级,因此存储速度必须与此相当。存储的采样点数量被称为“存储深度”。例如,如果通道具有 10 mpts 缓冲区,则每次采集可以存储多达一千万个采样点。

存储深度的计算
存储深度的计算

示波器的采样率、存储深度和采集时间之间有直接关系。时基设置决定示波器采集信号的最短时间。采集系统会平衡好存储深度和采样率,保证在特定时基设置下提供最大的采样率。维持高采样率的时候,可用存储越大,时基设置可以越慢(越长)。

一般而言,存储深度越大越好。但是,有的示波器无法最大限度地使用存储深度,有的则在使用更大的存储深度时运行会非常慢。

如何选择需要的存储深度?

和示波器的其他重要规格不同,关于存储深度并没有简单的选择指南。但是,如果您确定所需的采集时间,则可以确定所需的最小存储深度。举例而言,如要采集 10 个周期的 100 mhz 时钟信号,您需要至少采集 100 纳秒。采样率为 1 gsample/s 的 adc 每纳秒采样一次。因此,您需要的存储深度需为 100 个采样点。

关于存储深度的其他考虑因素

关于浅存储和深存储,需要考虑示波器如何处理采集存储。例如,r&s®mxo、r&s®rto 和 r&s®rtp 示波器利用自定义 asic 来管理深存储操作。该 asic 保证示波器在放大/缩小波形的同时能够快速响应,还可以最大程度地缩短采集过程中的触发重置时间。

快速分段和历史模式

其他考虑因素包括除简单采集之外使用存储深度的不同模式或功能。例如,r&s 示波器的快速分段功能和历史模式能够有效利用深存储。

采集活动的信号分段
采集活动的信号分段

借助快速分段功能,采集系统将存储深度平均分成多个小分段。这些分段快速存满采样点,触发系统可以快速重置。存储控制器等待所有分段都存满采样点,然后将采集数据传输到 cpu。快速分段模式的优点在于,触发系统能够快速重置,而且深存储可以得到最大程度的利用。这有助于采集突发信号。

显示并分析每个信号单元
显示并分析每个信号单元

历史模式也是一种运用深存储的创新方法。这种模式和快速分段模式类似,存储控制器同样将可用的总存储深度分成多个分段。但是,控制器将每个分段作为环形缓冲区来存储采样点,示波器和在正常运行中一样来处理每个分段。历史模式的不同之处在于,示波器停止采集后,您可以“返回”查看之前采集的波形。这种功能非常有用,让您在屏幕上发现异常后可以“停止”采集。

如果您有任何问题, 联系开心体育。

波形捕获率

什么是波形捕获率?

波形捕获率也被称为触发率。这表示示波器在触发事件之间捕获波形的速度。一般而言,示波器重置和重新触发的速度越快,采集之间的死区时间越短。

死区时间是指采集之间的间隔时间,示波器在此期间无法捕获波形。死区时间越短,触发速率越快,示波器捕获瞬态脉冲等偶发性事件的概率就越大。

触发事件之间的波形捕获
触发事件之间的波形捕获

罗德与施瓦茨的部分示波器具备自定义 asic,能够提供超快速波形捕获率。例如,r&s®rto6 每秒可以捕获一百万个波形。r&s®mxo 4 每秒可以捕获 450 万个波形!

关于波形捕获率的其他考虑因素

不同的测量类型、采集模式和存储深度都会影响波形捕获率。一些示波器制造商可能指定示波器在特殊模式下才具有最大波形捕获率或最小死区时间。因此,您需要了解示波器达到最大波形捕获率的具体条件。

探头

什么是示波器探头?

在测量信号之前,您必须先将信号输入示波器。您可以使用 bnc 或 sma 电缆直接将被测设备连接到示波器的前面板。但在大部分情况下,您需要使用探头。

罗德与施瓦茨示波器探头产品
罗德与施瓦茨示波器探头产品

如何选择需要的探头?

无源电压探头是最常见的探头。这种探头经济实惠,适合通用应用。衰减因子不同的探头可以提供高电压或低负载信号。

示波器随附的无源探头的额定带宽通常相当于或略高于示波器的带宽。大部分无源探头的带宽不超过 500 或 700 mhz。探测带宽超过 700 mhz 的信号,需要使用有源电压探头。

有源电压探头采用放大器电路,和无源探头相比带宽更大,电路负载更低。这种探头包括单端、差分和模块化类型。顾名思义,有源探头需要使用电源。

部分探头会测量除电压之外的其他参数。例如,霍尔效应传感器电流探头通过非侵入式方式测量电线中流过的电流。近场探头测量组件、电缆和印刷电路板发射出的电磁场。

有源探头一般无法兼容不同制造商的示波器。因此,一些制造商会为其他供应商的探头提供适配器。(如果您希望使用这些适配器,需验证探头是否兼容!)

罗德与施瓦茨提供不同尺寸的无源、有源和非电压探头。

关于示波器探头的其他考虑因素

带宽小于 200 mhz 的示波器通常只支持一个无源探头接口。这些示波器的前面板上只有一个 bnc 接口。带宽超过 200 mhz 的示波器具有有源探头接口,可以连接无源和有源探头。

集成式仪器

示波器不仅是一种波形测量工具。选购示波器的时候,可以考虑能够集成到示波器的其他仪器。下文介绍了示波器的一些附加功能。

示波器的频谱分析 (fft)

快速傅里叶变换 (fft) 可以将时域波形转换为频域图。示波器屏幕将显示频率和幅度,不显示时间和幅度。不同于传统的频谱分析仪,具备频谱分析功能的示波器能够在低至 dc(即 0 hz)的频率进行测量!

示波器的 fft 功能
示波器的 fft 功能

fft 可以是简单的数学运算函数并提供有限的控制功能,或者通过硬件加速实现并提供和频谱分析仪类似的控制功能。r&s®rto6 还具有独特的区域触发功能,能够选定可能(或不应)出现杂散的区域,将屏幕更新限定到相关频率。

任意波形发生器

内置的任意波形发生器输出采用 am、fm、fsk 和 pwm 调制的正弦波、三角波和方波等各种函数。示波器内置发生器,可以节省工作台空间。此外,许多示波器还可以使用发生器生成信号并输入电路,并通过模拟通道测量输出。例如,r&s®mxo4-k36 频率响应分析 (fra) 选件可以为电源的控制环路响应 (clr) 和电源抑制比 (psrr) 生成波特图。

任意波形发生器示例
任意波形发生器示例

罗德与施瓦茨的大部分示波器都提供任意波形发生器选件,可以作为软件选件或硬件模块插件集成到示波器中。

逻辑分析仪

具备数字通道的示波器可以捕获模拟和数字波形。逻辑通道通常具有时间相关性,因此示波器可以同时对逻辑通道和模拟通道进行采样。借助这种功能,显示屏会同时显示一段时间内两个通道上的事件。

示波器的混合信号分析
示波器的混合信号分析

罗德与施瓦茨的所有示波器都提供数字通道选件。这些示波器可以提供 8 个或 16 个数字通道,具体取决于型号。

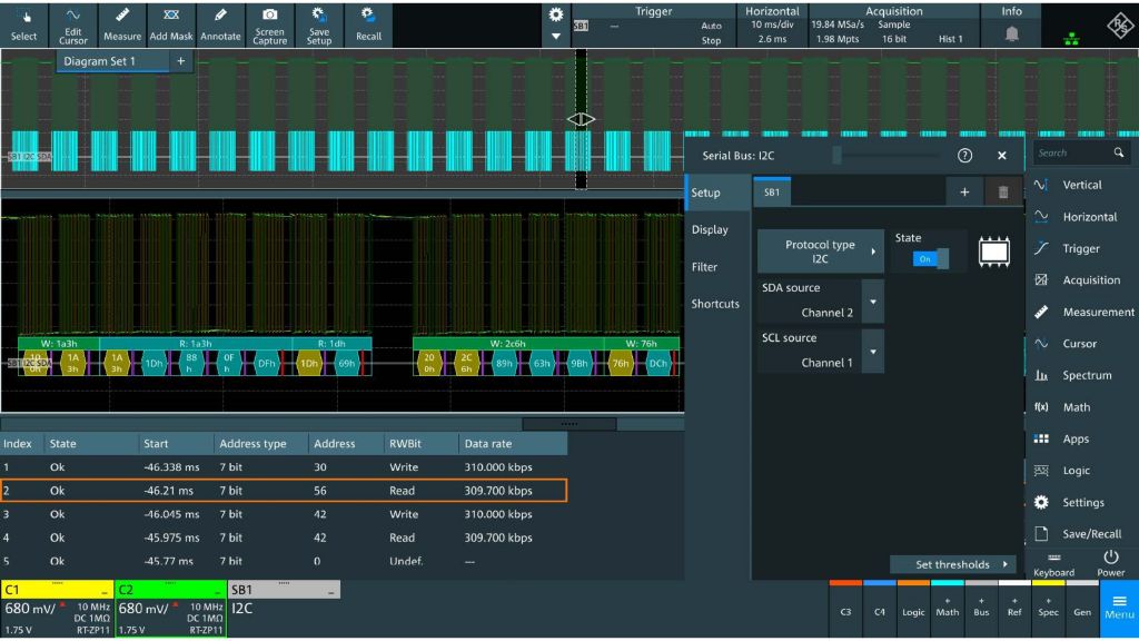
协议分析仪

协议分析功能对模拟或数字通道上采集的波形进行解码,并显示在协议界面上。例如,许多基于微控制器的设计都采用 spi、i2c 或 uart 总线进行通信。借助示波器的协议分析仪功能,您可以触发特定协议事件,例如数据包起始或 crc 错误。触发事件后,您可以在解码界面轻松读取总线事务。

 查看协议数据的两种方式
查看协议数据的两种方式

您至少可以通过两种不同的方式来查看数据。一是查看采集波形上叠加的数据。这种方式有助于确定信号完整性问题是否导致了协议问题。另一种方式是查看协议表。您可以在简短的表格中快速查看大量协议活动。

罗德与施瓦茨的所有示波器都提供各种解码选件,可以随示波器一起购买,也可以后期单独选购。

尺寸(外形)

示波器具有不同的尺寸。一般而言,带宽越大,示波器体型就越大。现在,便携式示波器和传统的台式示波器一样提供多种功能。

示波器的基本操作“系统”

台式示波器

提及示波器,人们一般会想到台式示波器。这种示波器的前面板上有一个大屏幕、若干旋钮、几个按钮和一些 bnc 连接器接口。大部分台式示波器还提供机架安装选件。

便携式示波器

小巧体型和电池供电是 r&s®rth 等便携式或手持式示波器的两个独特特征。这类示波器配备触摸屏。大按钮和多功能旋钮取代了不同的功能旋钮,即使您戴着厚手套或不在示波器的正前方,也能轻松操作仪器。r&s®rth 的带宽选件高达 500 mhz,采样率可达 5 gsample/s,并具备 10 位 adc。该示波器还具有功能齐全的数字触发系统和多种自动测量功能。此外,这款示波器还采用输入隔离设计,并提供 4 个模拟通道或者 2 个模拟通道和一个数字万用表硬件。

如果您对产品有任何问题, 联系开心体育。

远程控制

什么是远程控制?

远程控制是指通过电脑连接并控制仪器,就像在仪器旁边实际操作一样。您可以通过 web 浏览器在模拟仪器前面板的虚拟前面板上点击按钮或旋钮。

 通过 web 浏览器远程访问 mxo
通过 web 浏览器远程访问 mxo

如何选择需要的远程访问功能?

如果您需要在实验室远程访问示波器,确保示波器支持远程操作。例如,r&s®rtb、r&s®rtm、r&s®mxo 4、r&s®rto 6 和 r&s®rtp 都支持 web 浏览器界面上的虚拟前面板。

关于远程访问的其他考虑因素

大部分支持 gpib 的示波器都需要额外购买硬件选件。

提供可选 gpib 插槽的示波器后面板
提供可选 gpib 插槽的示波器后面板

自动化(和连接性)

什么是自动化(和连接性)?

自动化是指在 ni 的 labview™、mathworks 的 matlab® 或 python 等编程环境中通过电脑控制仪器。这些编程平台会通过 usb、以太网或 gpib 向示波器发送命令。

总结

  • 选购合适的示波器涉及到重要决定。带宽是最重要的考虑因素。除此之外,您还可以考虑其他规格。
  • 快速波形捕获率可以显著减轻调试和表征工作量。一般而言,如果示波器提高波形捕获率,可以非常快速地利用深存储。
  • 关于触发功能,除了可用的触发模式之外,还需考虑其他方面。您需要查验每种触发模式的规格是否符合应用需求,并评估电压灵敏度等重要因素。
  • 示波器现在能够集成多种测试仪器。例如,如果示波器具备快速响应的 fft 功能,则可以用作实时频谱分析仪。具备协议触发功能的示波器可以用作逻辑分析仪。
  • 示波器提供多种尺寸,包括手持式、便携式和台式型号,能够用于广泛的用例。

如果您有任何问题

示波器选购指南

阅读我们 pdf 版的综合性指南,全方位了解示波器

阅读我们 pdf 版的详细指南,深入探索示波器的世界。了解有关示波器的先进功能、集成式仪器和外形尺寸的更多信息,获取比网页内容更丰富的有用知识。本指南非常适合希望明智购买仪器的新手和资深人士。

下载完整指南,了解以下信息:

  • 关于带宽选择和计算的深入讨论
  • 关于采样率影响的详细说明
  • 关于 adc 位及其对测量影响的全面解释
  • 关于快速分段和历史模式等先进功能的详尽描述
  • 关于各种探头及其兼容性的深度介绍

想详细了解测试基础知识吗?

订阅我们的新闻通讯

其他相关信息

网站地图